- Prosedur Percobaan [KEMBALI]
Decoder BCD seven segment
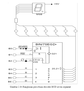
- Decoder BCD seven segment
- Variasikan switch B0 sampai B6 sesuai dengan jurnal cek output yang terjadi
- Decoder BCD seven segment
- Jurnal [KEMBALI]
- Hardware [KEMBALI]
- Video Pengambilan Data [KEMBALI]
- Analisa [KEMBALI]
- Jelaskan prinsip kerja rangkaian
Prinsip kerja dari rangkaian ini adalah pada simulasi rangkaian menggunakan IC 7447 dengan common catoda. IC 7447, merupakan IC decoder BCD ke 7 segment digunakan untuk menerima masukan BCD 4-bit dan memberikan keluaran yang melewatkan arus melalui segmen untuk menampilkan angka decimal. Decoder BCD ke 7 segment mempunyai masukkan berupa bilangan binner (masukkan A,B,C,D) yang dikodekan membentuk kode 7 segment. Dalam aplikasi decoder, ketiga jalur control (LT, RBI, LTO) harus diberikan logika HIGH dengan tujuan agar data input BCD dapat masuk dan menampilkan 7 segmen yang dapat menerima data tampilan sesuai data BCD yang diinputkan Biasanya IC 7447 dipasangkan dengan 7 segment common anode, hal ini disebabkan keluaran dari decoder 7447 ini adalah aktif low. Perbedaan common anoda dan common catoda yaitu common anoda dihubungkan dengan VCC sedangkan common catoda dihubungkan dengan Ground. Namun pada kondisi diminta untuk menggunakan IC 7447 yang dipasangkan dengan 7 segment common catoda, common catoda akan aktif pada kondisi high (led akan aktif apabila diberi logika 1), sehingga pada rangkaian ditambahkan IC TTL gerbang NOT. Prinsip kerjanya adalah pada saat input biner pada switch dikonversikan masuk ke dalam decoder , kemudian decoder mengkonversikan bilangan biner tersebut menjadi desimal sehingga akan tampil pada seven segment
- Analisa output yang didapatkan berdasarkan prinsip kerja IC dan seven segment pada rangkaian percobaan A
Prinsip kerja rangkaian adalah dengan menggunakan IC 7447 yang merupakan decoder BCD ke seven segment yang berfungsi untuk menyalakan seven segment common anoda. Decoder BCD ke seven segment digunakan untuk menerima masukan BCD 4-bit dan memberikan keluaran yang melewatkan arus melalui segmen untuk menampilkan angka desimal. Pada seven segment ini sinyal yang masuk akan menjadi sinyal logika seperti bilangan biner untuk mengendalikan tampilan seven segment. Rangkaian dibuat dengan menggunakan IC 7447 dengan common catoda. Pada common anoda, semua anoda dari LED seven segment disatukan secara paralel dan dihubungkan dengan VCC sehingga akan berada pada kondisi aktif low (led akan menyala atau aktif apabila diberi logika 0), sedangkan common catoda dihubungkan dengan ground sehingga akan berada pada kondisi aktif high (led akan menyala atau aktif apabila diberi logika 1). Pada kondisi diminta untuk menggunakan IC 7447 yang dipasangkan dengan 7 segment common catoda, common catoda akan aktif pada kondisi high (led akan aktif apabila diberi logika 1), sehingga pada rangkaian ditambahkan IC TTL gerbang NOT
Prinsip kerja dari seven segment adalah inputan bilangan biner pada switch dikonversi masuk kedalam decoder, baru kemudian decoder mengkonversi bilangan biner tersebut ke dalam bilangan desimal, yang mana bilangan desimal ini akan ditampilkan pada layar-layar seven segmen. Fungsi dari decoder adalah sebagai pengkonversi bilangan biner ke dalam bilangan desimal. Sinyal input dari switches tidak dapat langsung dikirimkan ke peraga 7 segmen, sehingga harus menggunakan decoder BCD (Binary Code Decimal) ke 7 segmen sebagai antar muka. Decoder ini terdiri dari gerbang-gerbang logika yang masukannya berupa digit BCD dan keluarannya berupa saluran - saluran untuk mengatur tampilan 7 segmen. Dalam pembacaan hasil dari seven segmen tersebut dapat kita ambil 4 biner terakhir setelah itu dibalik, contohnya 1000 maka sebenarnya itu adalah 0001 yaitu nilainya adalah 1. Jalur input data BCD, pin input ini terdiri dari 4 line input yang mewakili 4 bit data BCD dengan sebutan jalur input A, B, C dan D. Jalur output 7 segmen, pin output ini berfungsi untuk mendistribusikan data pengkodean ke penampil 7 segmen. Pin output dekoder BCD ke 7 segmen ini ada 7 pin yang masing-masing diberi nama a, b, c, d, e, f dan g. Nilai-nilai yang diinputkan merupakan bilangan biner (yang pembacaan inputannya dibalik, contohnya inputannya 0100 maka pembacaannya yaitu 0010) yang akan diterjemahkan ke bilangan desimal, yang ditampilkan pada 7 segment. cara mengkonversi bilangan biner ke desimal adalah dengan mengalikan satu-satu bilangan dengan 2 (basis biner) pangkat 0 atau 1 atau 2 dst, hasil yang terjemahannya yaitu :
Binner Desimal 0000 0 0001 2 0011 3 0100 4 0101 5 0110 6 0111 7 1000 8 1001 9
Dekoder BCD ke seven segment mempunyai masukan berupa bilangan BCD 4-bit (masukan A, B, C dan D). Bilanga BCD ini dikodekan sehingga membentuk kode tujuh segmen yang akan menyalakan ruas-ruas yang sesuai pada seven segment. Masukan BCD diaktifkan oleh logika ‘1’, dan keluaran dari dekoder 7447 adalah aktif low. Tiga masukan ekstra juga ditunjukkan pada konfigurasi pin IC 7447 yaitu masukan (lamp test), masukan (blanking input/ripple blanking output), dan (ripple blanking input). pada konfigurasi pin IC 7447 yaitu masukan (lamp test), masukan (blanking input/ripple blanking output), dan (ripple blanking input). LT (Lamp Test) berfungsi untuk mengeset display, bila diberi logika ‘0’ maka semua keluaran dari IC ini akan berlogika 0. Sehingga seven segment akan menunjukkan angka delapan (8) BI'/RBO' , Blanking Input/Row Blanking Output, berfungsi untuk mematikan keluaran dari IC. Bila diberi logika “0” maka semua keluaran IC akan berlogika“1”dan seven segmen takan mati. RBI' , Row Blanking Input, berfungsi untuk mematikan keluaran dari IC jika semua input berlogika “0”. Bila diberi logika “0”, diberi logika “1” dan diberi logika “0” maka semua keluaran IC akan berlogika “1” dan seven segment akan mati. Menurut teori output pada rangkaian adalah mengikuti angka biner, sehingga 4 buah inputnya disetel menyerupai angka biner (maksudnya power on atau off) lalu misalnya jika ingin menampilkan angka 9, maka 4 input tersebut akan dihidupkan menggunakan switch dengan nilai pada A,B,C,D nya adalah 1,0,0,1 (apabila dijadikan didalam biner maka 1+0+0+8 = 9) begitu juga apabila ingin menampilkan angka 7, maka inputnya 1,1,1,0 (1+2+4+0 = 7), pada praktikum hal ini sudah terbukti
- Jelaskan prinsip kerja rangkaian
- Link Download [KEMBALI]



