- Prosedur Percobaan [KEMBALI]
Gerbang Logika
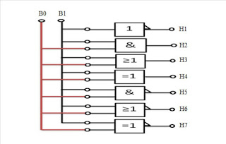
- Buat rangkaian seperti pada gambar dibawah ini
- Set switch B0 dan B1 sesuai dengan jurnal, catat output H yang terjadi pada tabel kebenaran
- Sekarang ganti switch B0 dengan input clock dan paralel kan ke output H
- Gambarkan bentuk sinyal keluaran pada tiap-tiap gerbang logika
- Jurnal [KEMBALI]
- Hardware [KEMBALI]
- Video Pengambilan Data [KEMBALI]
Video Pengambilan Data Gerbang Logika Dasar
- Analisa [KEMBALI]
- Analisa Output yang Dihasilkan Melalui Masing-Masing Prinsip Gerbang dan Tabel Kebenaran
- Gerbang NOT
Pada gerbang logika NOT, hanya memerlukan sebuah masukkan(input) untuk menghasilkan hanya satu keluaran (output). Berdasarkan teori, gerbang NOT disebut juga sebagai pembalik (inverter) sehingga menghasilkan keluaran (output) yang berlawanan dengan masukan (input) Berdasarkan percobaan, diperoleh data berikut:
B0 (input) X (output) 0 1 0 1 1 0 1 0 - Gerbang AND
Pada gerbang logika AND, memerlukan 2 atau lebih masukkan (input) untuk menghasilkan hanya satu keluaran (output). Berdasarkan teori output akan bernilai "1(High)" hanya jika semua inputnya juga bernilai "1(High) dan jika salah satu input bernilai "0(Low)" maka output juga akan bernilai "0(Low)" Berdasarkan percobaan, diperoleh data berikut:
B0 (input B1 (input) X (output) 0 0 0 0 1 0 1 0 0 1 1 1 - Gerbang OR
Untuk gerbang OR, terdapat 2 buah input untuk menghasilkan 1 ouput untuk gerbang OR. Output akan bernilai "1(High)". Dan apabila atau semua input bernilai 0 Berdasarkan percobaan, diperoleh data berikut:
B0 (input B1 (input) X (output) 0 0 0 0 1 1 1 0 1 1 1 1 - Gerbang X-0R
Gerbang XOR merupakan gerbang yang akan bernilai "1" apabila inputnya memiliki logika yang berbeda Berdasarkan percobaan, diperoleh data berikut:
B0 (input B1 (input) X (output) 0 0 0 0 1 1 1 0 1 1 1 0 - Gerbang NAND
Gerbang NAND merupakan kebalikan dari gerbang logika AND, dan akan berada pada kondisi bernilai "1(high)" apabila ada input yang bernilai 0. Berdasarkan percobaan, diperoleh data berikut:
B0 (input B1 (input) X (output) 0 0 1 0 1 1 1 0 1 1 1 0 - Gerbang NOR
Gerbang NOR merupakan kebalikan gerbang logika OR, dan akan berada pada kondisi bernilai "1(high)" apabila semua input bernilai 0. Berdasarkan percobaan, diperoleh data berikut:
B0 (input B1 (input) X (output) 0 0 1 0 1 0 1 0 0 1 1 0 - Gerbang X-NOR
Gerbang XNOR merupakan kebalikan gerbang logika XOR, dan akan berada pada kondisi bernilai "1(high)" apabila semua inputnya adalah sama. Berdasarkan percobaan, diperoleh data berikut:
B0 (input B1 (input) X (output) 0 0 1 0 1 0 1 0 0 1 1 1
- Gerbang NOT
- Analisa Output yang Dihasilkan Apabila Input dan Masing-Masing Gerbang Lebih dari 2
Pada OR dan AND, jika input nya adalah lebih dari dua, tidak mempengaruhi output (tetap sesuai tabel kebenaran) yang mana dikerjakan 2 input terlebih dahulu, dan hasil dari dua input tersebut akan diproses dengan input ketiga, maka diperoleh hasil nya sesuai tabel kebenaran. hal ini berlaku terhadap berapapun banyak input yang dimasukkan. Namun, beda hal nya terhadap XOR, pada gerbang logika XOR, apabila jumlah inputnya ganjil dan jumlah input 1 nya ganjil, maka outputnya akan bernilai 0,begitu sebaliknya. dan apabila jumlah inputnya genap dan jumlah input 1 nya juga genap, maka outputnya bernilai 0, begitu pula sebaliknya.
- Analisa Output yang Dihasilkan Melalui Masing-Masing Prinsip Gerbang dan Tabel Kebenaran
- Link Download [KEMBALI]



